RAUHEAT

Piirin säätöventtiili

Piirin säätöventtiili on varaosa RauHeat-jakotukkiin. Piirin säätöventtiilillä säädetään yksittäisen piirin virtaamaa.

Lue lisää

Valitse tuote

2014894p

Piirin säätöventtiili

LVI-numero:

RAUHEAT

Valitse tuote

Tekniset tiedot

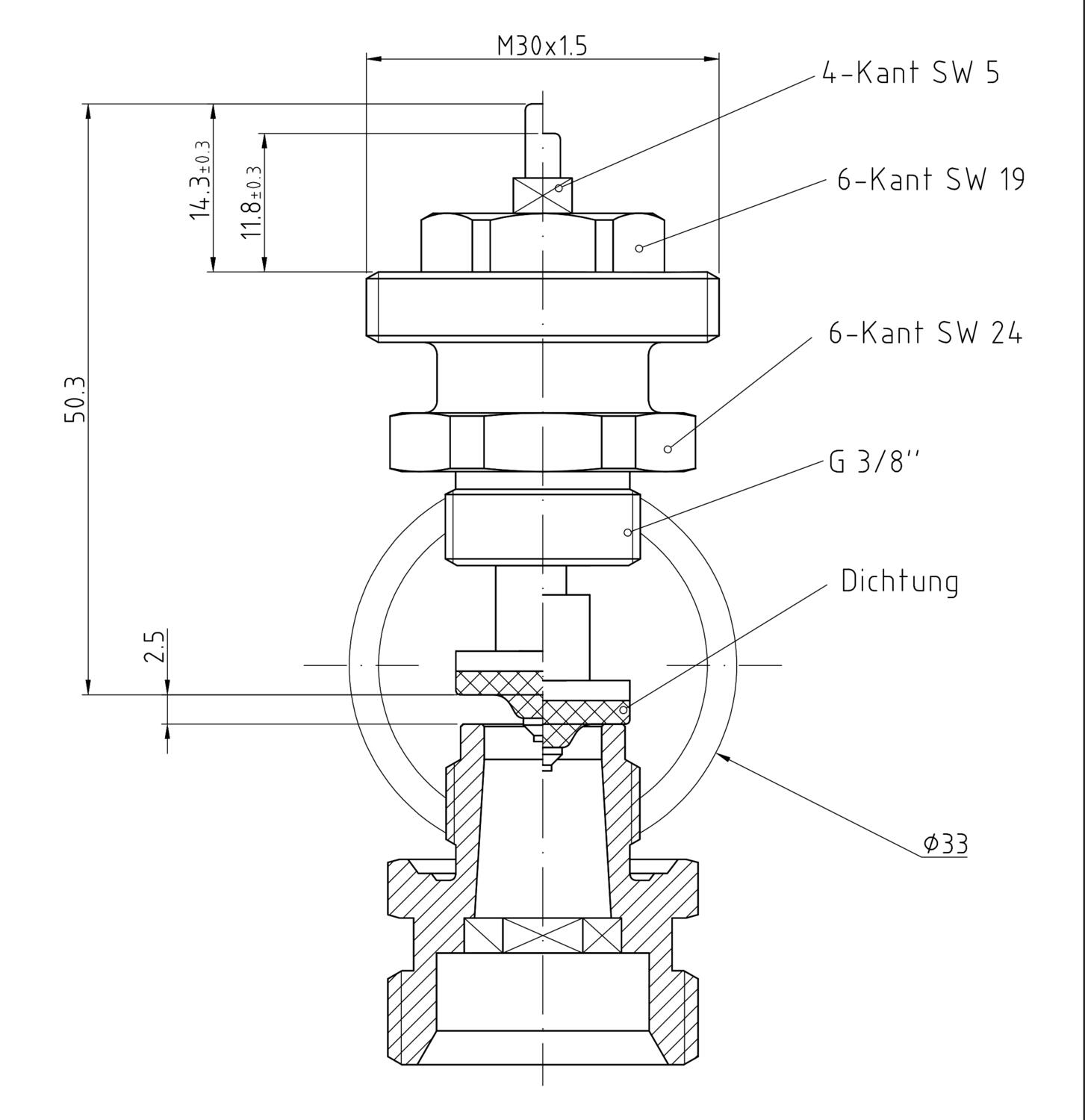
Mitat ja kytkennät

Tekniset kuvat

Tuotekuvaus

Piirin säätöventtiili on varaosa RauHeat-jakotukkiin. Piirin säätöventtiilillä säädetään yksittäisen piirin virtaamaa.

Tarvikkeet

Tuki

Kysy asiantuntijalta
Ammattitaitoinen ja kokenut henkilökuntamme on valmiina palvelemaan ja löytämään sinulle oikean ratkaisun.

Täytä yhteydenottolomake

Tarvisetko apua tai lisätietoja? Täytä alla oleva lomake, niin otamme sinuun yhteyttä mahdollisimman pian!

Kiitos viestistänne!

Kiitos yhteydenotostasi! Palaamme sinulle mahdollisimman pian.

Hupsista, jotain meni pieleen.

Jotain näyttää menneen pieleen. Tarkista tietosi tai yritä myöhemmin uudelleen.
TARVITSETKO APUA?
Logo

Evästeet rauheat.com sivustolla

Evästeiden avulla voimme palvella sinua paremmin ja varmistamme sivuston sujuvan toiminnan. Voit hallinnoida evästeasetuksia koska tahansa.

Toiminnalliset evästeet

Nämä evästeet ovat välttämättömiä verkkosivuston toimimiseksi, eikä niitä voi poistaa käytöstä järjestelmissämme. Niitä käytetään yleensä vain vastauksena toimiin, jotka olet tehnyt palvelupyynnön yhteydessä, esimerkiksi henkilökohtaisten asetusten määrittämisen, kirjautumisen tai lomakkeen täyttämisen yhteydessä.

Tilastolliset evästeet

Tilastollisten evästeiden avulla seuraamme verkkosivustomme kävijöiden toimintaa ja teemme analyyseja, joiden avulla voimme optimoida verkkosivustoamme. Tämä tarkoittaa, että voimme kehittää sivustoamme toimivammaksi ja palvelemaan kävijöitä paremmin. Jos et hyväksy näitä evästeitä, emme tiedä, milloin olet käynyt sivustollamme. Voit kuitenkin käyttää sivustoamme normaalisti.

Markkinointievästeet

Markkinointievästeiden avulla voimme kohdentaa sinulle mainoksia eri verkkosivustoilla tai sisältöä sosiaalisessa mediassa. Näitä evästeitä asettavat kolmannen osapuolen mainonta- ja kohdistustyökalut. Evästeiden kautta nämä toimijat voivat muodostaa profiilin kiinnostuksesi kohteista. Jos et hyväksy näitä evästeitä, et näe kohdennettua markkinointia etkä mahdollisesti voi käyttää sosiaalisen median jakotyökaluja.