RAUHEAT

Pumppuryhmä ISOMIX-F

ISOMIX-F pumppuryhmä on suunniteltu käytettäväksi lämmitysjärjestelmissä, joissa menoveden lämpötila tulee säätää lattialämmityskäyttöön sopivaksi, esimerkiksi patteriverkostoissa. Pumppuryhmä tarjoaa vakiolämpötilasäädön, joka takaa tasaisen ja luotettavan menoveden lämpötilan lattialämmitysjärjestelmiin. Menoveden lämpötila voidaan säätää välillä 20–70 °C.

 

ISOMIX-F pumppuryhmä soveltuu järjestelmiin, joissa tarvitaan jopa 14 kW lämmitysteho. Asennuksen helppoutta lisää mahdollisuus liittää pumppuryhmä suoraan RauHeat RST-jakotukkiin mukana toimitettavien yhdistäjien avulla. Esijohdotettu kiertovesipumppu nopeuttaa käyttöönottoa, ja pumppuryhmä voidaan asentaa joustavasti jakotukin vasemmalle tai oikealle puolelle. Lisäksi mukana toimitettava eristyspakkaus varmistaa energiatehokkaan toiminnan ja auttaa vähentämään lämpöhäviöitä.

 

ISOMIX-F on ihanteellinen valinta lattialämmitysjärjestelmiin, joissa tarvitaan tehokasta ja yksinkertaista lämmönsäätelyä.

Lue lisää
  • Vakiolämpötila 20-70 °C
  • Mukana toimitetaan eristyspakkaus
  • Helppo asennus

Valitse tuote

2014813p

Pumppuryhmä Isomix-F

LVI-numero:

RAUHEAT

Valitse tuote

Tekniset tiedot

Min. ympäristön lämpötila 0 °C
Max. ympäristön lämpötila 40 °C
Min. käyttölämpötila 0 °C
Max. käyttölämpötila 80 °C
Menoveden min. lämpötila 20 °C
Maks. paine-ero 500 mbar
KVS-arvo 3,2
Menoveden max. lämpötila 70 °C
Liittimet Messinki CW617 N, nikkelöity
Tasotiivisteet AFM 34/2
Max. lämmitysteho n. 14 kW ΔT = 10K
O-renkaat EPDM
Muovit Iskun- ja lämmönkestävä
Ensiöpuolen liitäntä 1" tasotiivisteellä
Toisiopuolen liitäntä 1" SK mutteri tasotiivisteellä
Toiminnot Lämmitys
Käyttöjännite 230 V 50 Hz

Mitat ja kytkennät

2014813m

2014813c

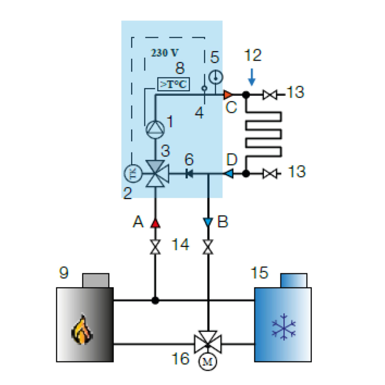
ISOMIX-F kytkentäesimerkki 1

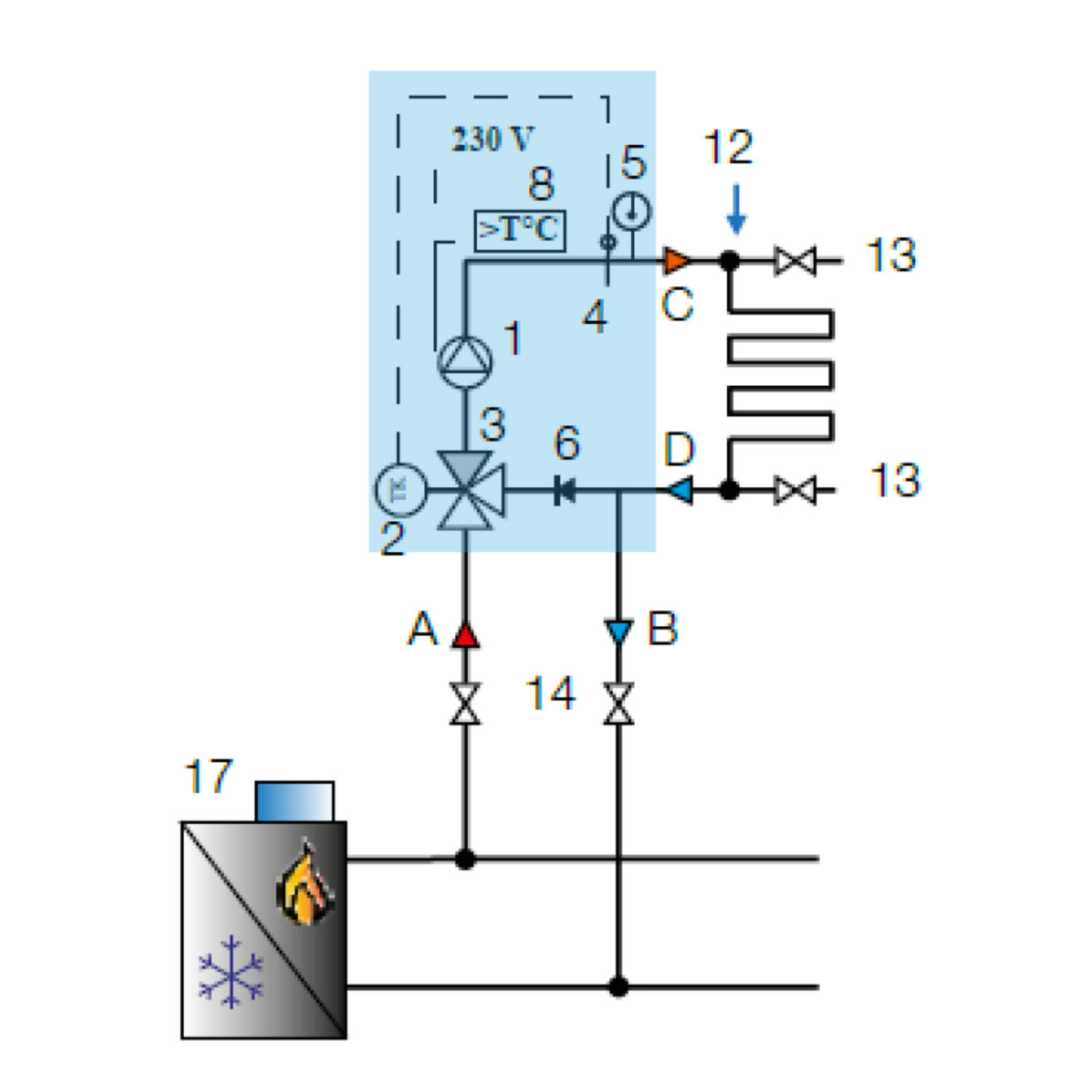
ISOMIX-F kytkentäesimerkki 2

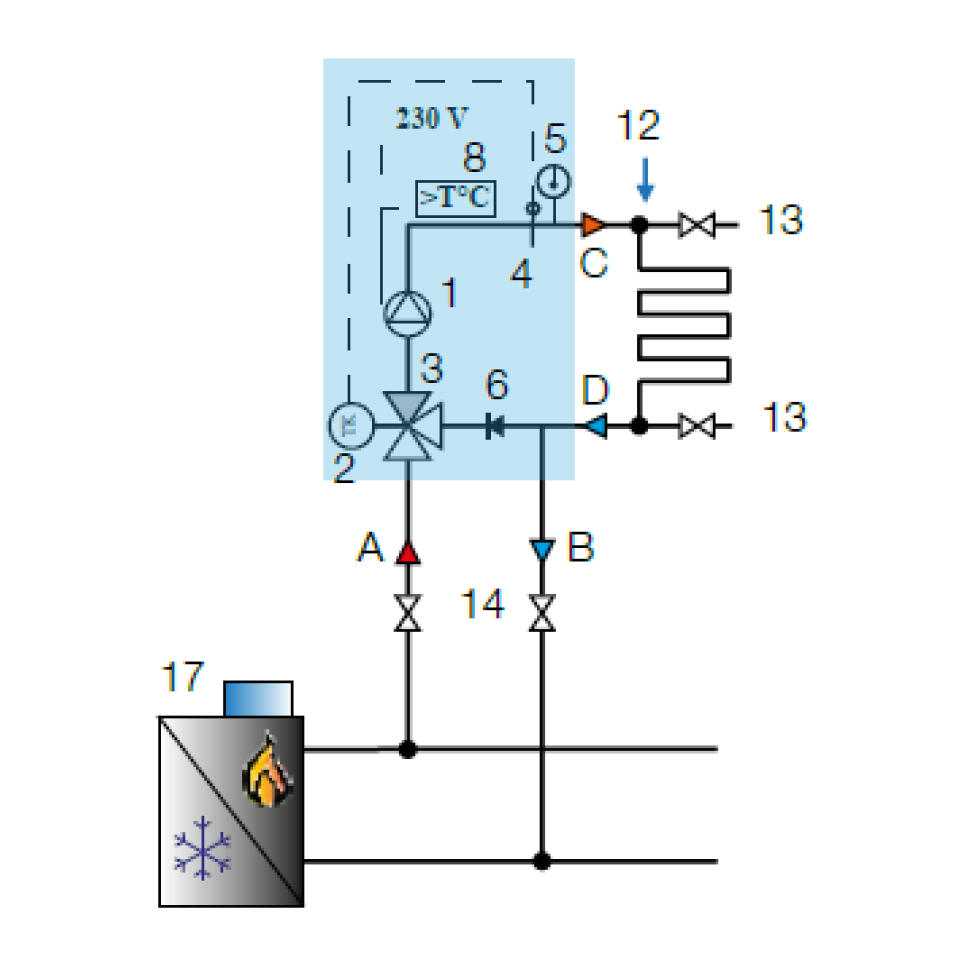
ISOMIX-F kytkentäesimerkki 3

ISOMIX-F kytkentäesimerkki 4

Tekniset kuvat

2014813d

1 Kiertovesipumppu
2 Termostaattisäädin
3 Sekoitusventtiili
4 Menoveden lämpötila-anturi
5 Menoveden lämpötilamittari
6 Takaiskuventtiili
7 Paluuvesianturin liitäntä (vaihtoehto)
A Ensiöpuoli menoliitos 1” UK tasotiivisteellä
B Ensiöpuoli paluuliitos 1” UK tasotiivisteellä
C Toisiopuoli jakotukin menoliitos (1” SK mutteri)
D Toisiopuoli jakotukin paluuliitos (1” SK mutteri)

2014813d1

Menoveden lämpötilan asetus

Tuotekuvaus

ISOMIX-F pumppuryhmä on suunniteltu käytettäväksi lämmitysjärjestelmissä, joissa menoveden lämpötila tulee säätää lattialämmityskäyttöön sopivaksi, esimerkiksi patteriverkostoissa. Pumppuryhmä tarjoaa vakiolämpötilasäädön, joka takaa tasaisen ja luotettavan menoveden lämpötilan lattialämmitysjärjestelmiin. Menoveden lämpötila voidaan säätää välillä 20–70 °C.

 

ISOMIX-F pumppuryhmä soveltuu järjestelmiin, joissa tarvitaan jopa 14 kW lämmitysteho. Asennuksen helppoutta lisää mahdollisuus liittää pumppuryhmä suoraan RauHeat RST-jakotukkiin mukana toimitettavien yhdistäjien avulla. Esijohdotettu kiertovesipumppu nopeuttaa käyttöönottoa, ja pumppuryhmä voidaan asentaa joustavasti jakotukin vasemmalle tai oikealle puolelle. Lisäksi mukana toimitettava eristyspakkaus varmistaa energiatehokkaan toiminnan ja auttaa vähentämään lämpöhäviöitä.

 

ISOMIX-F on ihanteellinen valinta lattialämmitysjärjestelmiin, joissa tarvitaan tehokasta ja yksinkertaista lämmönsäätelyä.

Tarvikkeet

Saatat olla kiinnostunut näistä

Tuki

Kysy asiantuntijalta
Ammattitaitoinen ja kokenut henkilökuntamme on valmiina palvelemaan ja löytämään sinulle oikean ratkaisun.

Täytä yhteydenottolomake

Tarvisetko apua tai lisätietoja? Täytä alla oleva lomake, niin otamme sinuun yhteyttä mahdollisimman pian!

Kiitos viestistänne!

Kiitos yhteydenotostasi! Palaamme sinulle mahdollisimman pian.

Hupsista, jotain meni pieleen.

Jotain näyttää menneen pieleen. Tarkista tietosi tai yritä myöhemmin uudelleen.
TARVITSETKO APUA?
Logo

Evästeet rauheat.com sivustolla

Evästeiden avulla voimme palvella sinua paremmin ja varmistamme sivuston sujuvan toiminnan. Voit hallinnoida evästeasetuksia koska tahansa.

Toiminnalliset evästeet

Nämä evästeet ovat välttämättömiä verkkosivuston toimimiseksi, eikä niitä voi poistaa käytöstä järjestelmissämme. Niitä käytetään yleensä vain vastauksena toimiin, jotka olet tehnyt palvelupyynnön yhteydessä, esimerkiksi henkilökohtaisten asetusten määrittämisen, kirjautumisen tai lomakkeen täyttämisen yhteydessä.

Tilastolliset evästeet

Tilastollisten evästeiden avulla seuraamme verkkosivustomme kävijöiden toimintaa ja teemme analyyseja, joiden avulla voimme optimoida verkkosivustoamme. Tämä tarkoittaa, että voimme kehittää sivustoamme toimivammaksi ja palvelemaan kävijöitä paremmin. Jos et hyväksy näitä evästeitä, emme tiedä, milloin olet käynyt sivustollamme. Voit kuitenkin käyttää sivustoamme normaalisti.

Markkinointievästeet

Markkinointievästeiden avulla voimme kohdentaa sinulle mainoksia eri verkkosivustoilla tai sisältöä sosiaalisessa mediassa. Näitä evästeitä asettavat kolmannen osapuolen mainonta- ja kohdistustyökalut. Evästeiden kautta nämä toimijat voivat muodostaa profiilin kiinnostuksesi kohteista. Jos et hyväksy näitä evästeitä, et näe kohdennettua markkinointia etkä mahdollisesti voi käyttää sosiaalisen median jakotyökaluja.